...

欢迎光临中崎国际

你想找什么货品?

德国TURCK图尔克雷达传感器T30R-1515-CKDQ

TURCK,TURCK T30R-1515-CKDQ,雷达传感器T30R-1515-CKDQ

货号: #T30R-1515-CKDQ
库存: 10 无货

¥3000.00


简介

技术数据设计矩形的结构规模65 x 40 x 40 毫米,CK40额定开关距离40 毫米安装条件非齐平工作电压10… 30 伏直流电输出功能互补接触,PNP开关频率0.250 kHz电气连接连接器,M12 1外壳材料塑料,PBT-GF20-V0,黑色环境温度0...+100 C防护等级IP68 防护等级特殊功能碳检测

产品详情
    • 防护等级 IP67

    • 公连接器,M12 × 1,5 针

    • FMCW(调频连续波)雷达,用于检测移动和静止物体

    • 美国批准

    • 最大范围 6 m

    • 工作电压 10...30 伏直流电

    • 两个 PNP/NPN 开关输出,IO-Link

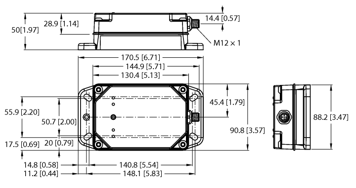
技术数据

功能接近开关
设计带螺纹的矩形
结构规模52.9 x 40.6 x 63.8 毫米,T30R
范围100…6000 毫米
频率范围120.5…123 吉赫
工作电压10…30 伏直流电
开关元件功能NO/NC 可编程
输出功能PNP/NPN
通信协议IO-Link 物联网
电气连接连接器,M12 × 1
设置选项视觉软件和固件,按钮
外壳材料塑料、PBT、黄色
环境温度-40...+65 °C
防护等级IP67 防护等级


德国TURCK图尔克雷达传感器Q130RA-2450-AFQ
¥3000.00
德国TURCK图尔克雷达传感器Q130RA-2450-AFQ
德国TURCK图尔克雷达传感器QT50R-EU-AFS
¥3000.00
德国TURCK图尔克雷达传感器QT50R-EU-AFS