...

欢迎光临中崎国际

你想找什么货品?

德国TURCK图尔克线性位置传感器LTX7000M-F10-SSI2-GAF1-X3-H1161

TURCK,TURCK LTX7000M-F10-SSI2-GAF1-X3-H1161,线性位置传感器LTX7000M-F10-SSI2-GAF1-X3-H1161

货号: #LTX7000M-F10-SSI2-GAF1-X3-H1161
库存: 10 无货

¥3000.00


简介

技术数据设计矩形的结构规模65 x 40 x 40 毫米,CK40额定开关距离40 毫米安装条件非齐平工作电压10… 30 伏直流电输出功能互补接触,PNP开关频率0.250 kHz电气连接连接器,M12 1外壳材料塑料,PBT-GF20-V0,黑色环境温度0...+100 C防护等级IP68 防护等级特殊功能碳检测

产品详情
    • 适用于液压缸

    • 该传感器的耐压能力高达 340 bar(永久)、680 bar(短期)

    • 防震高达 100 克

    • 通过 3 色 LED 显示状态

    • 分辨率 0,005 毫米

    • 工作温度棒 -40 °C...+105 °C

    • 电子设备工作温度 -40 °C...+85 °C

    • 防护等级 IP68

    • 7…30 V 直流电源

    • SSI - 输出,灰度编码,25 位

    • M12 x 1 连接器

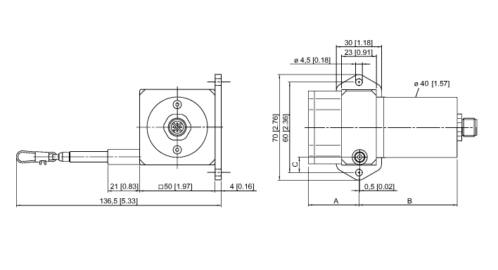
技术数据

设计
测量原理磁 致 伸缩
测量范围7000 毫米 [275.59 英寸]
工作电压7…30 伏直流电
通信协议SSi的
电气连接连接器,M12 × 1
外壳材料金属,阿拉巴马州
环境温度-40...+85 °C
防护等级IP68 防护等级


德国TURCK图尔克线性位置传感器DWE-25000-135-10-2B4000-H1181
¥3000.00
德国TURCK图尔克线性位置传感器DWE-25000-135-10-2B4000-H1181
德国TURCK图尔克线性位置传感器DW500-70-PA-H1441
¥3000.00
德国TURCK图尔克线性位置传感器DW500-70-PA-H1441