...

欢迎光临中崎国际

你想找什么货品?

德国TURCK图尔克非接触式编码器REI-43H38S-2B1000-H1181

TURCK,TURCK REI-43H38S-2B1000-H1181,非接触式编码器REI-43H38S-2B1000-H1181

货号: #REI-43H38S-2B1000-H1181
库存: 10 无货

¥3000.00


简介

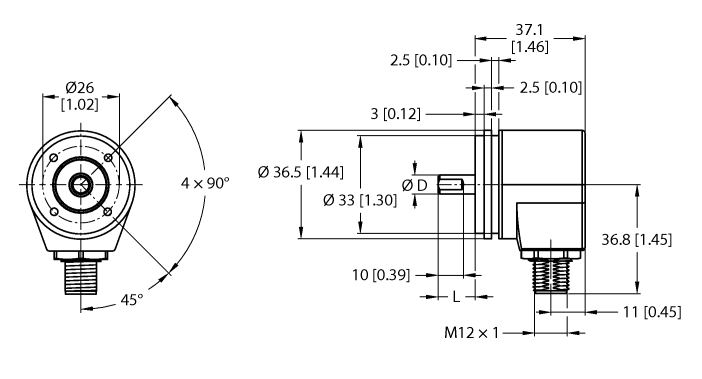
技术数据设计矩形的结构规模65 x 40 x 40 毫米,CK40额定开关距离40 毫米安装条件非齐平工作电压10… 30 伏直流电输出功能互补接触,PNP开关频率0.250 kHz电气连接连接器,M12 1外壳材料塑料,PBT-GF20-V0,黑色环境温度0...+100 C防护等级IP68 防护等级特殊功能碳检测

产品详情
    • 不带安装元件的法兰,直径 100 毫米

    • 空心轴,Ø 40 mm

    • 光学测量原理

    • 轴材质:不锈钢

    • 外壳和轴侧防护等级为 IP65

    • -40 ... +80 °C

    • 最高转速 6000 rpm(60 °C 时:2500 rpm)

    • 10…30 伏直流电

    • RS422/TTL 可逆

    • 脉冲频率最大 300 kHz

    • M12 × 1 公头连接器,8 针

    • 每转 2000 个脉冲

技术数据

编码器线工业线
科技光学的
输出类型增量
轴类型空心轴
轴径 D (mm)40
法兰直径直径 100 毫米
法兰型不带安装元件的法兰
分辨率,增量2000 人/人
工作电压10…30 伏直流电
输出功能RS422/TTL,可倒置
电气连接连接器,M12 × 1
外壳材料压铸锌
环境温度-40...+80 °C
防护等级轴IP65 防护等级
防护等级IP65 防护等级


德国TURCK图尔克非接触式编码器REI-04QA0S-4A2500-H1181
¥3000.00
德国TURCK图尔克非接触式编码器REI-04QA0S-4A2500-H1181
德国TURCK图尔克非接触式编码器REM-116T6S-7ASARWL-H1151
¥3000.00
德国TURCK图尔克非接触式编码器REM-116T6S-7ASARWL-H1151